台湾米其林35008 M/C八面基座
台湾米其林35008 M/C八面基座型号:MC-5030 / MC-5040 / MC-5050 / MC-5060 / MC-5070 / MC-7240 / MC-7250 / MC-7260 / MC-7270 / MC-10050 / MC-10060 / MC-10070單位:mm訂購編號型號ABCDEFGHMNP孔數重量 (kg)35008-02MC-5030-300CB8-80300
全国服务热线:
18913177528
在线咨询
产品详情
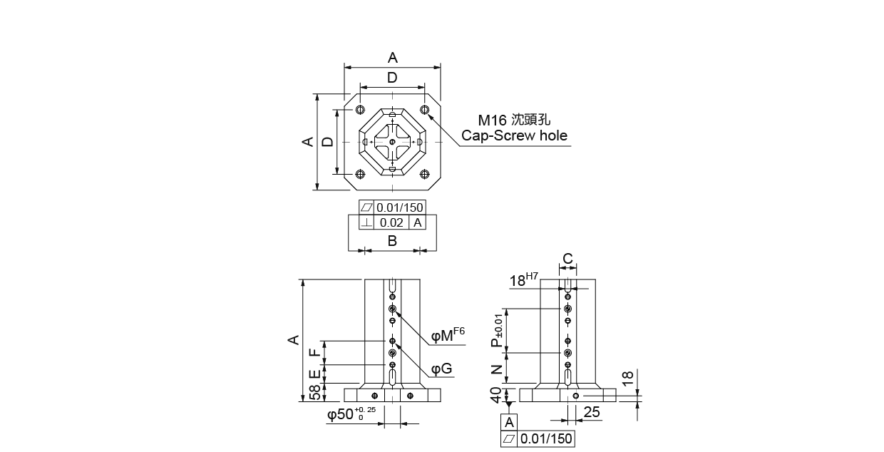
台湾米其林35008 M/C八面基座
型号:MC-5030 / MC-5040 / MC-5050 / MC-5060 / MC-5070 / MC-7240 / MC-7250 / MC-7260 / MC-7270 / MC-10050 / MC-10060 / MC-10070
單位:mm
| 訂購編號 | 型號 | A | B | C | D | E | F | G | H | M | N | P | 孔數 | 重量 (kg) |
| 35008-02 | MC-5030-300CB8-80 | 300 | 170 | 55 | 200 | 32 | 80 | M12 | 360 | 12 | 72 | 160 | 4 | 61 |
| 35008-04 | MC-5030-300CB8-100 | 300 | 170 | 55 | 200 | 52 | 100 | M12 | 360 | 12 | 102 | 100 | 4 | 61 |
| 35008-06 | MC-5030-320CB8-80 | 320 | 170 | 55 | 200 | 32 | 80 | M12 | 360 | 12 | 72 | 160 | 4 | 65 |
| 35008-08 | MC-5030-320CB8-100 | 320 | 170 | 55 | 200 | 52 | 100 | M12 | 360 | 12 | 102 | 100 | 4 | 65 |
| 35008-10 | MC-5040-300CB8-80 | 300 | 170 | 55 | 200 | 42 | 80 | M12 | 460 | 12 | 82 | 240 | 4 | 73 |
| 35008-12 | MC-5040-300CB8J 00 | 300 | 170 | 55 | 200 | 52 | 100 | M12 | 460 | 12 | 102 | 200 | 4 | 73 |
| 35008-14 | MC-5040-320CB8-80 | 320 | 170 | 55 | 200 | 42 | 80 | M12 | 460 | 12 | 82 | 240 | 4 | 76 |
| 35008-16 | MC-5040-320CB8-100 | 320 | 170 | 55 | 200 | 52 | 100 | M12 | 460 | 12 | 102 | 200 | 4 | 76 |
| 35008-18 | MC-5050-400CB8-80 | 400 | 200 | 55 | 320 | 52 | 80 | M12 | 560 | 12 | 92 | 320 | 4 | 118 |
| 35008-20 | MC-5050-400CB8-100 | 400 | 200 | 55 | 320 | 52 | 100 | M12 | 560 | 12 | 102 | 300 | 4 | 118 |
| 35008-22 | MC-5050-500CB8-80 | 500 | 250 | 55 | 400 | 52 | 80 | M12 | 560 | 12 | 92 | 320 | 8 | 163 |
| 35008-24 | MC-5050-500CB8-100 | 500 | 250 | 55 | 400 | 52 | 100 | M12 | 560 | 12 | 102 | 300 | 8 | 163 |
| 35008-26 | MC-5060-400CB8-80 | 400 | 200 | 55 | 320 | 62 | 80 | M12 | 660 | 12 | 102 | 400 | 4 | 132 |
| 35008-28 | MC-5060-400CB8-100 | 400 | 200 | 55 | 320 | 52 | 100 | M12 | 660 | 12 | 102 | 400 | 4 | 132 |
| 35008-30 | MC-5060-500CB8-80 | 500 | 250 | 55 | 400 | 62 | 80 | M12 | 660 | 12 | 102 | 400 | 8 | 181 |
| 35008-32 | MC-5060-500CB8-100 | 500 | 250 | 55 | 400 | 52 | 100 | M12 | 660 | 12 | 102 | 400 | 8 | 181 |
| 35008-34 | MC-5070-400CB8-100 | 400 | 200 | 55 | 320 | 52 | 100 | M12 | 760 | 12 | 102 | 500 | 4 | 188 |
| 35008-36 | MC-5070-500CB8-80 | 500 | 250 | 55 | 400 | 72 | 80 | M12 | 760 | 12 | 112 | 480 | 8 | 199 |
| 35008-38 | MC-5070-500CB8-100 | 500 | 250 | 55 | 400 | 52 | 100 | M12 | 760 | 12 | 102 | 500 | 8 | 199 |
| 35008-40 | MC-7240-300CB 8-100 | 300 | 170 | 75 | 200 | 52 | 100 | M16 | 460 | 16 | 102 | 200 | 4 | 76 |
| 35008-42 | MC-7240-320CB8-100 | 320 | 170 | 75 | 200 | 52 | 100 | M16 | 460 | 16 | 102 | 200 | 4 | 79 |
| 35008-44 | MC-7250-400CB&100 | 400 | 200 | 75 | 320 | 52 | 100 | M16 | 560 | 16 | 102 | 300 | 4 | 117 |
| 35008-46 | MC-7250-500CB8-100 | 500 | 250 | 75 | 400 | 52 | 100 | M16 | 560 | 16 | 102 | 300 | 8 | 167 |
| 35008-48 | MC-7260-400CB8-100 | 400 | 200 | 75 | 320 | 52 | 100 | M16 | 660 | 16 | 102 | 400 | 4 | 130 |
| 35008-50 | MC-7260-500CB8-100 | 500 | 250 | 75 | 400 | 52 | 100 | M16 | 660 | 16 | 102 | 400 | 8 | 185 |
| 35008-52 | MC-7270-400CB8-100 | 400 | 200 | 75 | 320 | 52 | 100 | M16 | 760 | 16 | 102 | 500 | 4 | 186 |
| 35008-54 | MC-7270-500CB8-100 | 500 | 250 | 75 | 400 | 52 | 100 | M16 | 760 | 16 | 102 | 500 | 8 | 204 |
| 35008-56 | MC-7270-630-CB8-100 | 630 | 300 | 75 | 500 | 52 | 100 | M16 | 760 | 16 | 102 | 500 | 8 | 292 |
| 35008-58 | MC-10050-400CB8-100 | 400 | 200 | 105 | 320 | 52 | 100 | M16 | 560 | 16 | 102 | 300 | 4 | 130 |
| 35008-60 | M010050-500CB8-100 | 500 | 250 | 105 | 400 | 52 | 100 | M16 | 560 | 16 | 102 | 300 | 8 | 172 |
| 35008-62 | MC-10060-500CB8-100 | 500 | 250 | 105 | 400 | 52 | 100 | M16 | 660 | 16 | 102 | 400 | 8 | 191 |
| 35008-64 | MC-10060-300CB8-100 | 630 | 300 | 105 | 500 | 52 | 100 | M16 | 660 | 16 | 102 | 400 | 8 | 256 |
| 35008-66 | MC-10070-500CB8-100 | 500 | 250 | 105 | 400 | 52 | 100 | M16 | 760 | 16 | 102 | 500 | 8 | 211 |
| 35008-68 | MC-10070-630CB8-100 | 630 | 300 | 105 | 500 | 52 | 100 | M16 | 760 | 16 | 102 | 500 | 8 | 279 |












全国服务热线