台湾米其林36055 D7強力三爪分度頭
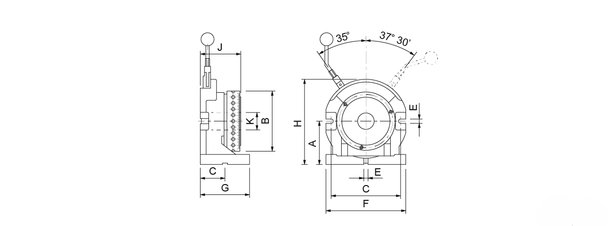
台湾米其林36055 D7強力三爪分度頭型号:MCL-D7●可臥立兩用,適合銑床或鑽床簡易快速分割使用。●可分割24等份,15度為一個單位,可分割成 2.3.4.6.8.12.24等份。●標準配備為7”強力三爪,亦可選配7”普通三爪。單位:mm訂購編號型號ABCDEFGHJK max・最大負載重量重量 (kg)36055MCL-D7138192230801626016027313256Max. 5
全国服务热线:
18913177528
在线咨询
产品详情
台湾米其林36055 D7強力三爪分度頭
型号:MCL-D7
● 可臥立兩用,適合銑床或鑽床簡易快速分割使用。
● 可分割24等份,15度為一個單位,可分割成 2.3.4.6.8.12.24等份。
● 標準配備為7”強力三爪,亦可選配7”普通三爪。
單位:mm
| 訂購編號 | 型號 | A | B | C | D | E | F | G | H | J | K max・ | 最大負載重量 | 重量 (kg) |
| 36055 | MCL-D7 | 138 | 192 | 230 | 80 | 16 | 260 | 160 | 273 | 132 | 56 | Max. 50kg | 45 |












全国服务热线