台湾米其林39156 強力型滑座
台湾米其林39156 強力型滑座型号:STF-2030 / STF-2040 / STF-2050 / STF-2060 / STF-2130 / STF-3050 / STF-3070 / STF-3080 / STF-30100 / STF-30120 / STF-30150 / STF-30200 / STF-30220 / STF-4070 / STF-40100 / STF-40130
全国服务热线:
18913177528
在线咨询
产品详情
台湾米其林39156 強力型滑座
型号:STF-2030 / STF-2040 / STF-2050 / STF-2060 / STF-2130 / STF-3050 / STF-3070 / STF-3080 / STF-30100 / STF-30120 / STF-30150 / STF-30200 / STF-30220 / STF-4070 / STF-40100 / STF-40130 / STF-40160 / STF-40200 / STF-50120 / STF-50150
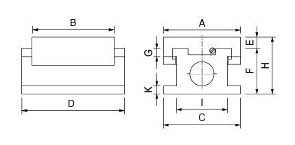
● 適用於各式機械配合需求組裝使用。
● 滑動面均經熱處理及精密研磨加工。
● 材質:FC30,精度:±0.01mm內。
※ 如需加裝把手組,價格另詢。












全国服务热线