台湾米其林39154 經濟型滑座
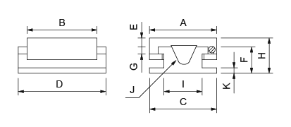
台湾米其林39154 經濟型滑座型号:STE-1630 / STE-1640 / STE-2030 / STE-2040 / STE-2060 / STE-2080 / STE-20100●適用於各式機械配合需求組裝使用。●滑動面均經熱處理及精密研磨加工。●材質:FC30,精度:±0.01mm內。單位:mm訂購編號型號ABCDEFGHIJK行程重量 (kg)39154-05STE-16301602
全国服务热线:
18913177528
在线咨询
产品详情
台湾米其林39154 經濟型滑座
型号:
| STE-1630 / STE-1640 / STE-2030 / STE-2040 / STE-2060 / STE-2080 / STE-20100 |
● 適用於各式機械配合需求組裝使用。
● 滑動面均經熱處理及精密研磨加工。
● 材質:FC30,精度:±0.01mm內。
單位:mm
| 訂購編號 | 型號 | A | B | C | D | E | F | G | H | I | J | K | 行程 | 重量 (kg) |
|---|---|---|---|---|---|---|---|---|---|---|---|---|---|---|
| 39154-05 | STE-1630 | 160 | 200 | 160 | 300 | 20 | 70 | 17 | 90 | 90 | U-TYPE | 20 | 100 | 19 |
| 39154-10 | STE-1640 | 160 | 200 | 160 | 400 | 20 | 70 | 17 | 90 | 90 | U-TYPE | 20 | 200 | 23 |
| 39154-12 | STE-2030 | 200 | 300 | 200 | 300 | 30 | 90 | 20 | 120 | 120 | U-TYPE | 20 | 50 | 34 |
| 39154-15 | STE-2040 | 200 | 300 | 200 | 400 | 30 | 90 | 20 | 120 | 120 | U-TYPE | 20 | 100 | 40 |
| 39154-20 | STE-2060 | 200 | 300 | 200 | 600 | 30 | 90 | 20 | 120 | 120 | U-TYPE | 20 | 300 | 48 |
| 39154-25 | STE-2080 | 200 | 300 | 200 | 800 | 30 | 90 | 20 | 120 | 120 | U-TYPE | 20 | 500 | 58 |
| 39154-30 | STE-20100 | 200 | 300 | 200 | 1000 | 30 | 90 | 20 | 120 | 120 | U-TYPE | 20 | 700 | 69 |












全国服务热线