台湾米其林39145 鳩尾型滑座
台湾米其林39145 鳩尾型滑座型号:STB-408 / STB-416 / STB-424 / STB-512 / STB-524 / STB-612 / STB-624 / STB-816 / STB-832 / STB-1020 / STB-1030 / STB-1040 / STB-1060 / STB-1220 / STB-1230 / STB-1240 / STB-1260●適用於各式
全国服务热线:
18913177528
在线咨询
产品详情
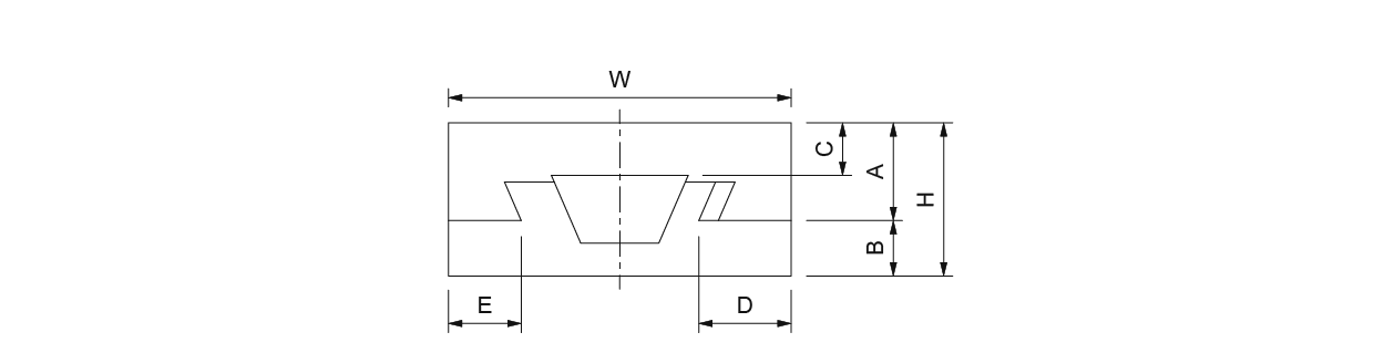
台湾米其林39145 鳩尾型滑座
型号:STB-408 / STB-416 / STB-424 / STB-512 / STB-524 / STB-612 / STB-624 / STB-816 / STB-832 / STB-1020 / STB-1030 / STB-1040 / STB-1060 / STB-1220 / STB-1230 / STB-1240 / STB-1260
● 適用於各式機械,配合需求組裝使用。
● 材質:FC30,滑動面銑床加工(無研磨)。
單位:mm
| 訂購編號 | 型號 | W | L | H | A | B | C | D | E | 重量 (kg) |
| 39145-05 | STB-408 | 100 | 200 | 55 | 35 | 20 | 15 | 29 | 22 | 13.6 |
| 39145-10 | STB-416 | 100 | 400 | 55 | 35 | 20 | 15 | 29 | 22 | 16.8 |
| 39145-15 | STB-424 | 100 | 600 | 55 | 35 | 20 | 15 | 29 | 22 | 23 |
| 39145-20 | STB-512 | 125 | 300 | 60 | 40 | 20 | 18 | 33 | 29 | 16 |
| 39145-25 | STB-524 | 125 | 600 | 60 | 40 | 20 | 18 | 33 | 29 | 29 |
| 39145-30 | STB-612 | 150 | 300 | 65 | 40 | 25 | 20 | 35 | 31 | 26.5 |
| 39145-35 | STB-624 | 150 | 600 | 65 | 40 | 25 | 20 | 35 | 31 | 35 |
| 39145-40 | STB-816 | 200 | 400 | 90 | 60 | 30 | 27 | 43 | 37 | 61 |
| 39145-45 | STB-832 | 200 | 800 | 90 | 60 | 30 | 27 | 43 | 37 | 83 |
| 39145-50 | STB-1020 | 250 | 500 | 95 | 60 | 35 | 27 | 40 | 34 | 66 |
| 39145-55 | STB-1030 | 250 | 750 | 95 | 60 | 35 | 27 | 40 | 34 | 94 |
| 39145-60 | STB-1040 | 250 | 1000 | 95 | 60 | 35 | 27 | 40 | 34 | 146 |
| 39145-65 | STB-1060 | 250 | 1500 | 95 | 60 | 35 | 27 | 40 | 34 | 188 |
| 39145-70 | STB-1220 | 300 | 500 | 95 | 60 | 35 | 27 | 40 | 34 | 95 |
| 39145-75 | STB-1230 | 300 | 750 | 95 | 60 | 35 | 27 | 40 | 34 | 143 |
| 39145-80 | STB-1240 | 300 | 1000 | 95 | 60 | 35 | 27 | 40 | 34 | 190 |
| 39145-85 | STB-1260 | 300 | 1500 | 95 | 60 | 35 | 27 | 40 | 34 | 288 |












全国服务热线