台湾米其林39140 鳩尾型滑座
台湾米其林39140 鳩尾型滑座型号:STA-204 / STA-208 / STA-212 / STA-216 / STA-220 / STA-306 / STA-312 / STA-318 / STA-324 / STA-408 / STA-416 / STA-424●適用於各式機械,配合需求組裝使用。●材質:FC30,滑動面銑床加工(無研磨)。單位:mm訂購編號型號WLHABCDE重量 (k
全国服务热线:
18913177528
在线咨询
产品详情
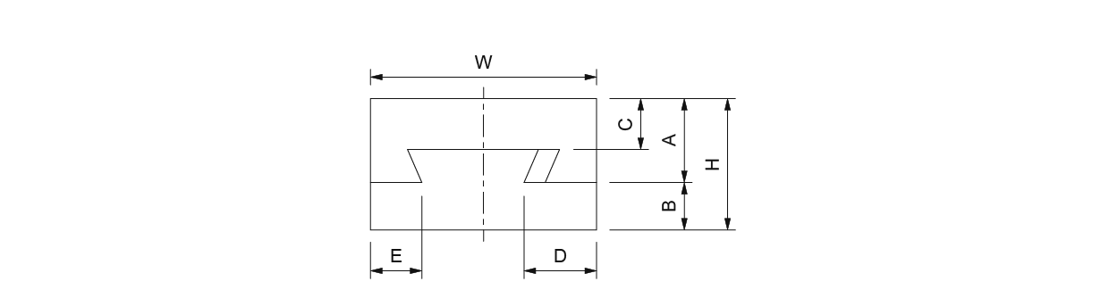
台湾米其林39140 鳩尾型滑座
型号:STA-204 / STA-208 / STA-212 / STA-216 / STA-220 / STA-306 / STA-312 / STA-318 / STA-324 / STA-408 / STA-416 / STA-424
● 適用於各式機械,配合需求組裝使用。
● 材質:FC30,滑動面銑床加工(無研磨)。
單位:mm
| 訂購編號 | 型號 | W | L | H | A | B | C | D | E | 重量 (kg) |
| 39140-05 | STA-204 | 50 | 100 | 40 | 25 | 15 | 16 | 19 | 12 | 4.6 |
| 39140-10 | STA-208 | 50 | 200 | 40 | 25 | 15 | 16 | 19 | 12 | 5.2 |
| 39140-15 | STA-212 | 50 | 300 | 40 | 25 | 15 | 16 | 19 | 12 | 5.8 |
| 39140-20 | STA-216 | 50 | 400 | 40 | 25 | 15 | 16 | 19 | 12 | 6.4 |
| 39140-25 | STA-220 | 50 | 500 | 40 | 25 | 15 | 16 | 19 | 12 | 7 |
| 39140-30 | STA-306 | 75 | 150 | 45 | 28 | 17 | 17 | 24 | 17 | 9.5 |
| 39140-35 | STA-312 | 75 | 300 | 45 | 28 | 17 | 17 | 24 | 17 | 11 |
| 39140-40 | STA-318 | 75 | 450 | 45 | 28 | 17 | 17 | 24 | 17 | 12.5 |
| 39140-45 | STA-324 | 75 | 600 | 45 | 28 | 17 | 17 | 24 | 17 | 14 |
| 39140-50 | STA-408 | 100 | 200 | 55 | 35 | 20 | 15 | 29 | 22 | 13.6 |
| 39140-55 | STA-416 | 100 | 400 | 55 | 35 | 20 | 15 | 29 | 22 | 16.8 |
| 39140-60 | STA-424 | 100 | 600 | 55 | 35 | 20 | 15 | 29 | 22 | 23 |












全国服务热线