台湾米其林35360 輔助板
台湾米其林35360 輔助板型号:BP15-40400-0400-12 / BP15-40500-0500-12 / BP15-40630-0630-12 / BP15-50800-0800-12 / BP15-40400-0400-16 / BP15-40500-0500-16 / BP15-40630-0630-16 / BP15-50800-0800-16●材質:FC30,熱處理:燒鈍。●適
全国服务热线:
18913177528
在线咨询
产品详情
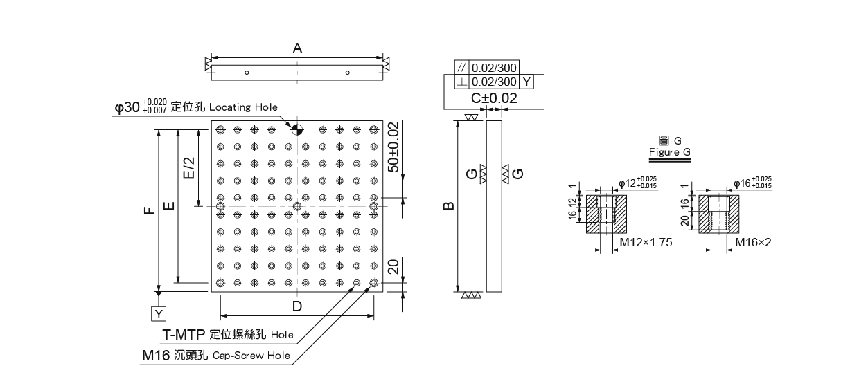
台湾米其林35360 輔助板
型号:BP15-40400-0400-12 / BP15-40500-0500-12 / BP15-40630-0630-12 / BP15-50800-0800-12 / BP15-40400-0400-16 / BP15-40500-0500-16 / BP15-40630-0630-16 / BP15-50800-0800-16
● 材質:FC30,熱處理:燒鈍。
● 適用於替換式雙面基座,可配合35350系列使用。
● 以孔定位方式,利用標準化治具零件,可快速組立完成一套符合需要之治具。
單位:mm
| 訂購編號 | 型號 | A | B | C | D | E | F | G | MTP | 定位孔數 | 重量 (kg) | |
| 35360-05 | BP15-40400-0400-12 | 400 | 400 | 40 | 350 | 350 | 370 | φ12 | M12 | 58 | 5 | 42 |
| 35360-10 | BP15-40500-0500-12 | 500 | 500 | 40 | 450 | 450 | 470 | φ12 | M12 | 94 | 7 | 69 |
| 35360-15 | BP15-40630-0630-12 | 630 | 630 | 40 | 580 | 580 | 600 | φ12 | M12 | 138 | 7 | 108 |
| 35360-20 | BP15-50800-0800-12 | 800 | 800 | 50 | 750 | 750 | 770 | φ12 | M12 | 250 | 7 | 220 |
| 35360-25 | BP15-40400-0400-16 | 400 | 400 | 40 | 350 | 350 | 370 | φ16 | M16 | 58 | 5 | 41 |
| 35360-30 | BP15-40500-0500-16 | 500 | 500 | 40 | 450 | 450 | 470 | φ16 | M16 | 90 | 7 | 67 |
| 35360-35 | BP15-40630-0630-16 | 630 | 630 | 40 | 580 | 580 | 600 | φ16 | M16 | 138 | 7 | 105 |
| 35360-40 | BP15-50800-0800-16 | 800 | 800 | 50 | 750 | 750 | 770 | φ16 | M16 | 246 | 7 | 215 |












全国服务热线